联系鲁米星
鲁米星科技·让未来城市更美好13913881132
E-mail:lumistar@188.com
厂址:上海市闵行区闵北路88弄1-30号104幢
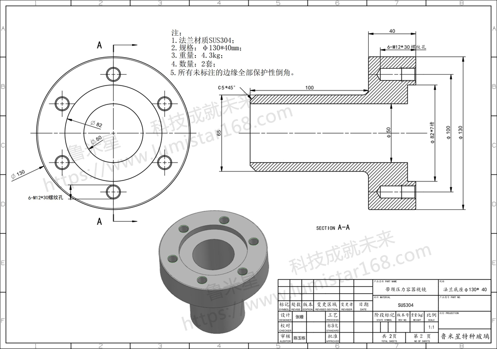
产品名称:带颈高压容器视镜DN50-PN4.0
执行标准:HG/T21619-1986
视镜型号:DN50-PN4.0
法兰材质:SUS304
玻璃:高压铝硅玻璃80*20mm;耐压10Mpa;耐温375℃。
垫片材质:非石棉垫片φ82*φ52*2mm
随货配合格证,质保书,检测报告。


